Podstawa Słupa PSRT: Nowoczesne Rozwiązanie Montażowe
Oferujemy innowacyjną podstawę słupa PSRT, która stanowi przełomowe rozwiązanie ułatwiające montaż elementów drewnianych z betonem. Zaprojektowana z myślą o wygodzie użytkowników i długotrwałej trwałości, podstawa ta gwarantuje optymalną dylatację drewna do podłoża.Kluczowe Cechy i Korzyści:Zwiększona Kompatybilność: Podstawa jest uniwersalna i umożliwia stosowanie belki o niestandardowych wymiarach przekroju, do 200 mm.Optymalna Dylatacja: Zaprojektowana tak, aby zapewnić właściwą dylatację drewna do podłoża, chroniąc drewno przed bezpośrednim kontaktem z wilgocią i potencjalnymi szkodnikami.Wytrzymałość i Trwałość: Konstrukcja podstawy słupa gwarantuje nie tylko łatwy montaż, ale również stabilność i trwałość montowanych konstrukcji.Wszechstronne Zastosowanie: Idealne rozwiązanie dla różnorodnych projektów konstrukcyjnych, zarówno w przestrzeniach mieszkalnych, jak i komercyjnych.Podstawa słupa PSRT to kluczowy element, który znacznie ułatwia proces montażu konstrukcji drewnianych z betonem. Dzięki swej innowacyjnej konstrukcji i zwiększonej kompatybilności z belkami o niestandardowych wymiarach przekroju, jest idealnym wyborem dla profesjonalistów szukających niezawodnych i efektywnych rozwiązań montażowych. Zainwestuj w podstawę słupa PSRT i ciesz się wytrzymałą oraz trwałą konstrukcją, która przetrwa próbę czasu.Zapewnij sobie trwałość i stabilność konstrukcji - wybierz podstawę słupa PSRT.
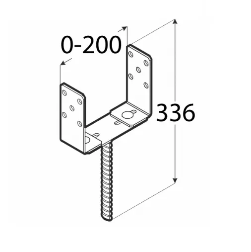
Oferujemy innowacyjną podstawę słupa PSRT, która stanowi przełomowe rozwiązanie ułatwiające montaż elementów drewnianych z betonem. Zaprojektowana z myślą o wygodzie użytkowników i długotrwałej trwałości, podstawa ta gwarantuje optymalną dylatację drewna do podłoża.
Kluczowe Cechy i Korzyści:
Zwiększona Kompatybilność: Podstawa jest uniwersalna i umożliwia stosowanie belki o niestandardowych wymiarach przekroju, do 200 mm.
Optymalna Dylatacja: Zaprojektowana tak, aby zapewnić właściwą dylatację drewna do podłoża, chroniąc drewno przed bezpośrednim kontaktem z wilgocią i potencjalnymi szkodnikami.
Wytrzymałość i Trwałość: Konstrukcja podstawy słupa gwarantuje nie tylko łatwy montaż, ale również stabilność i trwałość montowanych konstrukcji.
Wszechstronne Zastosowanie: Idealne rozwiązanie dla różnorodnych projektów konstrukcyjnych, zarówno w przestrzeniach mieszkalnych, jak i komercyjnych.
Podstawa słupa PSRT to kluczowy element, który znacznie ułatwia proces montażu konstrukcji drewnianych z betonem. Dzięki swej innowacyjnej konstrukcji i zwiększonej kompatybilności z belkami o niestandardowych wymiarach przekroju, jest idealnym wyborem dla profesjonalistów szukających niezawodnych i efektywnych rozwiązań montażowych. Zainwestuj w podstawę słupa PSRT i ciesz się wytrzymałą oraz trwałą konstrukcją, która przetrwa próbę czasu.
Zapewnij sobie trwałość i stabilność konstrukcji - wybierz podstawę słupa PSRT.
Informacje prawne
Sprzedawca zapewnia, że oferowany produkt jest bezpieczny przy założeniu prawidłowego użytkowania i zgodny z mającymi zastosowanie przepisami prawa Unii Europejskiej.
Opinie pochodzą wyłącznie od Klientów zarejestrowanych w Sklepie Internetowym BAT, którzy dokonali zakupu ocenianego Produktu. Wyświetlamy zarówno pozytywne, jak i negatywne opinie. Aby dodać opinię i ocenić towar musisz być zalogowany.
Zaloguj się
Nie dodano jeszcze żadnej opinii. Bądź pierwszą osobą i podziel się swoim doświadczeniem z innymi.